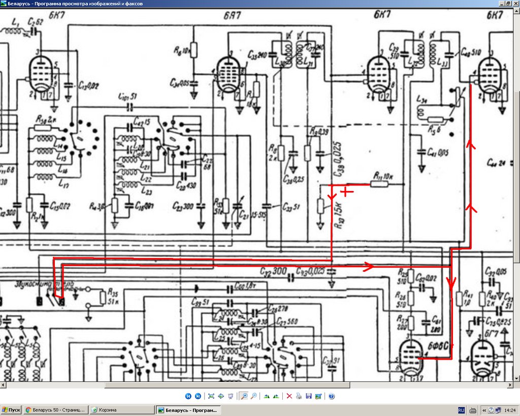
Беларусь 50
Беларусь 50

Изображение было размещено пользователем ресурса:
www.radioland.getbb.ru


Если вы заметили изображения, нарушающие общепринятые нормы морали или действующего законодательства, пожалуйста, сообщите нам по адресу: abusereport@forumimage.ru
На главную страницу