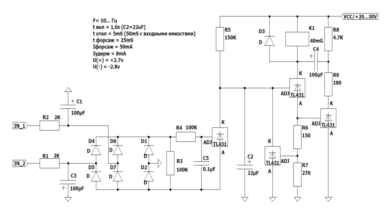
4xTL431
4xTL431

Изображение было размещено пользователем ресурса: "Форумы сайта "Отечественная радиотехника ХХ века""
rt20.getbb.ru


Если вы заметили изображения, нарушающие общепринятые нормы морали или действующего законодательства, пожалуйста, сообщите нам по адресу: abusereport@forumimage.ru
На главную страницу