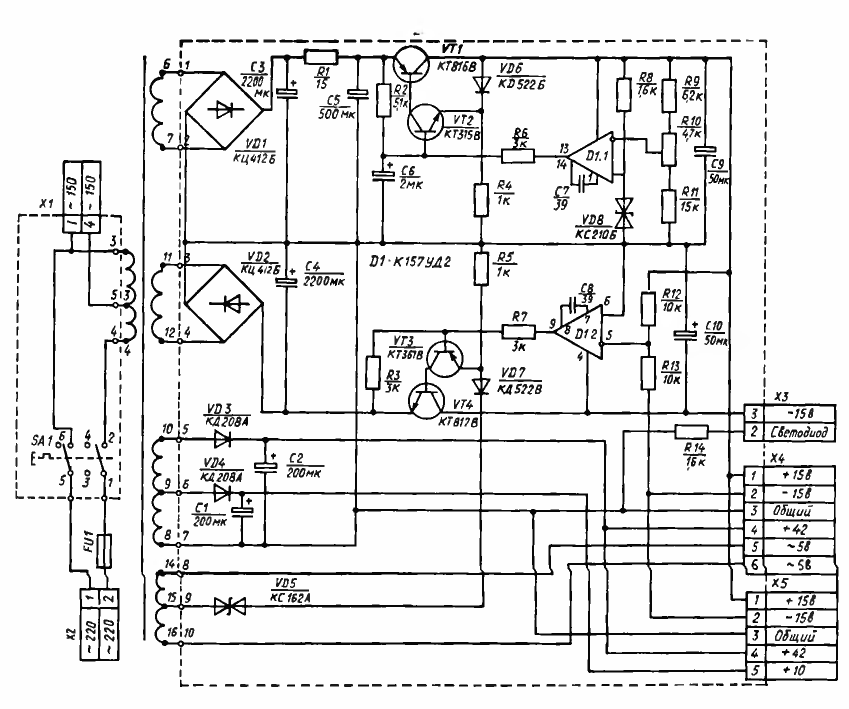
Ищу схему БП на Электронику МП-204 стерео
 Ищу схему БП на Электронику МП-204 стерео

Изображение было размещено пользователем ресурса: "RT22.RU Радиотехника 20 века, форумы" (Давайте и дальше жить дружно!)
rt22.ru


Если вы заметили изображения, нарушающие общепринятые нормы морали или действующего законодательства, пожалуйста, сообщите нам по адресу: abusereport@forumimage.ru
На главную страницу